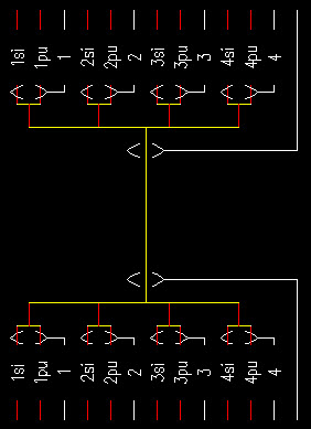
Piirrä kaapelikampaus

Schematics-välilehti > Johdotus-ryhmä > Johdotuksen piirto  -valikko > Kaapelikampaus

Tällä toiminnolla voit piirtää kaapelikampauksen. Voit aloittaa toiminnon myös Johdotukset-projektipuusta napsauttamalla Kaapelit-noodia hiiren kakkospainikkeella ja valitsemalla Kaapelikampaus.

Kaapelikampaukset voidaan tehdä vapaasti kiinni riviliittimeen tai irti riviliittimestä. Jos kaapelikampaus piirretään riviliittimiin, johtimet kytketään automaattisesti. Kampauksien esitystapa ja numerointi/merkintä eivät vaikuta johdintietoihin tietokannassa.

Huom! Projektin Tyyppi-tiedon näkyvyys kuvassa- ja Moduulijako-asetukset vaikuttavat kaapelin piirtoon.

Ohjelma muistaa edellisellä piirtokerralla Kaapelikampaus-dialogiin määrittelemäsi asetukset.

Toimi näin:

  1. Napsauta Kaapelitunnus-kentän viereistä Uusi-painiketta.

  2. Anna kaapelitunnus tai valitse olemassa oleva kaapeli alasvetovalikosta. Jos valitset olemassa olevan kaapelin, sen tiedot valitaan dialogiin automaattisesti.

  3. Anna Mistä- ja Mihin-tiedot. Voit valita ne alasvetovalikosta, osoittaa sijaintipuusta -painikkeella tai osoittaa kuvasta napsauttamalla Osoita-painiketta.

  4. Jos haluat poiketa oletusarvoisesta rasterijaosta, valitse Kaapelikampaus päävirtapiiriin. Käytettävä rasterijako määräytyy normaalisti moduulijakoasetuksen mukaan (3.5 mm tai 2.5 mm). Jos valitset Kaapelikampaus päävirtapiiriin -vaihtoehdon, käytetään rasterijakona moduulijakoasetuksen mukaan joko 2 x 3.5 mm (= 7 mm) tai 2 x 2.5 mm (= 5 mm).

  5. Valitse kaapelityyppi. Täytä tarvittaessa kaapelin lisätiedot, pituus, jännite, toimittaja jne.

    Kaapelityyppejä voidaan lisätä projektiin Kaapelityyppien hallinta -toiminnolla.

  6. Valitse piirtoasetukset:
    • Valitse johtimiin kirjattavat tiedot.

    • Valitse, piirretäänkö parisuoja. Näytä teksti  -valinnalla voit määrittää, näytetäänkö parisuojan tekstiä kuvassa vai ei.

    • Valitse parin värien piirtojärjestys (vain parikaapelit).

    • Valitse piirrettävät johdinparit. Kaapeli voidaan kammata kokonaan valitsemalla Piirrä koko kaapeli tai vain osa johtimista antamalla parit.

    • Valitse muut piirron yksityiskohdat: tehdäänko kampaus molempiin päihin, jatketaanko kaapelikampaukselta kaapelin piirrolla, piirretäänkö kaapelin vaippa, sijoitetaanko kaapelimerkintä ja piilotetaanko tyyppitieto.

      Piilota tyyppitieto on valittavissa, kun projektin kaapelimerkintäasetukseen Tyyppi-tiedon näkyvyys kuvassa on valittu Symbolin attribuutin näkyvyystiedon mukaisesti. Jos asetukseksi on valittu Aina näkyvissä tai Ei koskaan näkyvissä, piilotus ei ole valittavissa.

  7. Aloita kaapelikampauksen piirto napsauttamalla OK-painiketta.

  8. Osoita kaapelikampauksen aloituspiste.

  9. Jos valitsit kohdan Jatka kaapelin viivan piirrolla, piirrä kampaukselta lähtevä kaapeli.

  10. Jos valitsit vaihtoehdon Kampaus molempiin päihin, osoita kaapelikampauksen lopetuspiste.

  11. Jos valitsit Sijoita kaapelin merkintä, valitse ja sijoita kaapelimerkintä.

Tietokantaprojekteissa johtimen voi kytkeä kuvasta osoitettuihin Mistä-/Mihin-pinneihin johtimen kontekstivalikon Kytke johdin -toiminnolla silloin, kun johtimella ei ole esiintymiä yhdessäkään kuvassa. Kytkennän voi tarvittaessa poistaa Poista johtimen kytkentä -toiminnolla.