Cutout type 109
Cutout type 109 is a cutout with sealing plate for HP profile and ST (flat bar) profile. By selecting the profile, the size of the cutout is determined automatically.
|
LABEL 1 EXIT LABEL 3 VarStr = '' EXIT LABEL 4 Quest[1] = 'Quest 1' Quest[2] = 'Quest 2' Quest[3] = 'Quest 3' Quest[4] = 'Quest 4' Quest[5] = 'Quest 5' VarStr = 'r1 28 r2 60 r3 80 r4 927 r5 11' EXIT LABEL 5 varcutout=' ' IF prof_type[1\2]='hp' then { IF prof_height<61:varcutout='r1 13 r2 5 r3 80 r4 920 r5 7.5' IF prof_height>61:varcutout='r1 14 r2 5.5 r3 80 r4 921 r5 7.5' IF prof_height>81:varcutout='r1 15.5 r2 6 r3 80 r4 922 r5 8.5' IF prof_height>101:varcutout='r1 17 r2 6.5 r3 80 r4 923 r5 8.5' IF prof_height>121:varcutout='r1 19 r2 7 r3 80 r4 924 r5 8.5' IF prof_height>141:varcutout='r1 22 r2 7.5 r3 80 r4 925 r5 10' IF prof_height>161:varcutout='r1 25 r2 8.5 r3 80 r4 926 r5 10' IF prof_height>181:varcutout='r1 28 r2 9.5 r3 80 r4 927 r5 11' IF prof_height>201:varcutout='r1 31 r2 10.5 r3 80 r4 928 r5 11' IF prof_height>221:varcutout='r1 34 r2 11.5 r3 80 r4 929 r5 12' IF prof_height>241:varcutout='r1 37 r2 12.5 r3 80 r4 930 r5 12' IF prof_height>261:varcutout='r1 40 r2 13.5 r3 80 r4 931 r5 12' IF prof_height>281:varcutout='r1 43 r2 14.5 r3 80 r4 932 r5 13' IF prof_height>301:varcutout='r1 46 r2 15.5 r3 80 r4 933 r5 13' IF prof_height>321:varcutout='r1 49 r2 16.5 r3 80 r4 934 r5 13' IF prof_height>341:varcutout='r1 53,5 r2 18 r3 80 r4 935 r5 14' IF prof_height>371:varcutout='r1 58 r2 19.5 r3 80 r4 936 r5 14' IF prof_height>401:varcutout='r1 62,5 r2 21 r3 80 r4 937 r5 14' } IF prof_type[1\2]='st' then { varcutout='R1 20 R2 1 R3 85 R4 955 R5 10' } IF varcutout=' ' then { Hint = '^prof_type not a proper profile for the cutout' do -gui/noterr varcutout='R1 50 R2 25 R3 80 R4 956 R5 10' } EXIT LABEL 6 EnableLug[1]='702' DefaultType='702' EXIT |
No questions
Label 3 contains information for the construction database.
Label 4 contains data for icon creation.
R variables for HP profile
R variables for flat bar profile
IF the cutout is used for another profile type a warning is displayed. The cutout however is created with the set values.
The default lug type for this cutout is 702. |
|
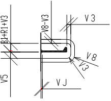
9 0 -1 10 30 20 50 1.5 100 60 V2+V6 L 0 0 0 B1+R1+V3 L 0 B1+R1+V3 H1+V3 B1+R1+V3 C ? ? V3*V1 L H1+V3 B1+R1+V3 H1+V3 0 L H1+V3 0 H1+V3 V5*V1 C ? ? V3*V1 L H1+V3 V5*V1 0 V5*V1 L 0 V5*V1 0 0 E 0 V1*V4-V8 H1+V8 B1+R1+V8 T Cutout with collarplate (Typ109) H T1 Collar109 H1 H= B1 t= W 11 GR-A 3 D TY "Cutout with collarplate (Typ109)" [ V3 "Radius: " R1+V5+VL-V3 "Width of cutout: " [ V3 "Gap at top profile/cutout: " |
|
V variables
|
Variable |
Function |
|---|---|
|
V1 |
Fixed value of -1 |
|
V2 |
Fixed value of 10 |
|
V3 |
Fixed value of 30 |
|
V4 |
Fixed value of 20 |
|
V5 |
Fixed value of 50 |
|
V6 |
Fixed value of 1.5 |
|
V7 |
Fixed value of 100 |
|
V8 |
Fixed value of 60 |
|
V9 |
Equals V2+V6 =10+1.5=11.5 |
Profile dimension variables
|
Variable |
Function |
|---|---|
| H1 | Profile height |
|
B1 |
Profile thickness |
|
W1 |
Flange size |
|
F1 |
Flange thickness |