Pipeline 13

This pipeline starts with a branch from the pipeline AA_Water-04. It consists of a straight pipe segment and two flanges, a normal and a blind one. This exercise teaches you two particular techniques:

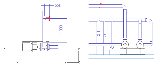
  • Dimensioning the branch from the centerline of the run pipe

  • Adding a blind flange into an existing pipe

Do the following:

  1. Select Piping > Route pipe.

  2. Move the cursor near the midpoint of the elbow on the pipeline AA_Water-04.

  3. Press W.

  4. Press D.

  5. For dy, enter 1000 as the value.

  6. Click OK.

    Do not accept the point.

  7. Right-click, and select Create branch.

  8. Press Enter to select the run pipe when it is highlighted.

  9. For System, select AA_Water.

  10. For Line, select AA_Water-13.

  11. For Nominal Size, enter 100 as the value.

  12. Click Done.

  13. Press Alt+X to set the direction to the positive X axis.

  14. Move the cursor inside the pipeline AA_Water-04.

  15. Press F11.

    Now, the length of the branch is evaluated from the centerline. Normally, it is dimensioned from the silhouette edge of the run pipe.

  16. Press X.

  17. Enter [the current value]+200 as the value.

  18. Click OK.

  19. Press Space.

  20. Right-click, and select Add Component.

  21. For Component Class, select Flanges.

  22. For the method of placement of the flange, select Shorten Pipe.

  23. Click Done.

  24. Click Yes.

  25. Select Piping > Route Pipe.

  26. Move the cursor near the end of the last pipe-end.

  27. Press Q.

  28. Press P to connect the pipe to the flange.

  29. Click Yes.

  30. Select the same values for System and Line as previously.

  31. Click Done.

  32. Press U to cancel the pipe segment.

  33. Right-click, and select Add component.

  34. For Component Class, select Flanges.

  35. For Functional Description, select Blind Flange.

  36. Click Done.

  37. Click Yes.

You have now routed a short pipe that branches from a run pipe and has two flanges at the end.