Hole types

Plant Modeller supports a number of different hole shapes, and administrator must select which ones can be used in the project, as described in Hole Management.

When a designer is creating a new hole request, the designer selects the shape to use and specifies the hole's parameters, location and rotation, as described in Properties of Hole Request.

Most of the hole types that Plant Modeller uses are based on parametric shapes defined in the Component Modeller application.

In Component Modeller, the hole types are defined as standard shapes, using the primitives Plate, Sweep and Srev when creating a section. For information on how to modify the shapes, see Standard shapes.

Plant Modeller also supports special hole types that are intended for integration with a specific software application. Be aware that a third-party software might not support all the hole types that Plant Modeller supports.

The hole types that Plant Modeller supports are described below.

Circle

This shape is a normal circle.

Parameters:

  • Diameter (D)

Rectangle

This shape is a normal rectangle.

Parameters:

  • Width (W)

  • Height (H)

Rectangle rounded

This shape is a rectangle with equally rounded corners.

Parameters:

  • Width (W)

  • Height (H)

  • Radius for rounding the corners (R)

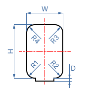
Rectangular hole for door without sill

This shape is a rectangular hole with rounded corners and a rectangular extension at the bottom. This hole type is intended for modeling a doorway or hatch where the lower end of the hole shape is at the plate boundary so that there is no door sill below the hole.

Parameters:

  • Width (W)

  • Height (H)

  • Radius for rounding each corner separately (R1–R4)

  • Bottom offset (height) for the rectangular extension (D)

Note: This type is not available in Component Modeller.

Rectangle with asymmetrical roundings

This shape is a rectangle where each corner can be rounded separately.

Parameters:

  • Width (W)

  • Height (H)

  • Radius for rounding each corner separately (R1–R4)

Rectangle with elliptical roundings

This is an elliptical shape that is slit open along the X and Y axes and then rectangular parts have been added between the elliptical parts.

Parameters:

  • Width (W)

  • Height (H)

  • Elliptical width (EW)

  • Elliptical height (EH)

Rectangle with mickey mouse ears

This shape is a rectangle that has a "mickey mouse ear" in every corner, and they are all of the same size.

Parameters:

  • Width (W)

  • Height (H)

  • Radius for rounding the ears (R)

Optional parameters:

  • Ear offset (O) – Offset from the arc of the ear to the corner of the rectangle. If offset is the same as radius, the center of the arc is at the corner of the rectangle.

Rectangular hole with top mickey mouse ears

This shape is a rectangular hole that has "mickey mouse ears" in the upper corners, and both are of the same size.

Parameters:

  • Width (W)

  • Height (H)

  • Radius for rounding the ears (R)

  • Ear offset (O) – Offset from the arc of the ear to the corner of the rectangle. If offset is the same as radius, the center of the arc is at the corner of the rectangle.

Note: This type is not available in Component Modeller.

Rectangular hole with different size mickey mouse ears

This shape is a rectangular hole that has a "mickey mouse ear" in every corner, and the ears in the upper corners can be of different size than those in the lower corners.

Parameters:

  • Width (W)

  • Height (H)

  • Radius for rounding the upper ears (R)

  • Radius for rounding the lower ears (R2)

  • Radius for inner rounding of upper ears (R') – This specifies rounding between the edges of the rectangle and the upper ears.

  • Radius for inner rounding of lower ears (R2')

  • Offset for upper ears (O) – Offset from the arc of the upper ear to the corner of the rectangle. If offset is the same as radius, the center of the arc is at the corner of the rectangle.

  • Offset for lower ears (O2)

Note: This type is not available in Component Modeller.

Rectangular hole with mickey mouse ears without sill

This shape is a rectangular hole that has "mickey mouse ears" in the upper corners and another pair of ears in the lower ends of the sides of the rectangle. This hole type is intended for modeling a doorway or hatch where the lower end of the hole shape is at the plate boundary so that there is no door sill below the hole.

Parameters:

  • Width (W)

  • Height (H)

  • Radius for rounding the upper ears (R)

  • Radius for inner rounding of upper ears (R') – This specifies rounding between the edge of the rectangle and the upper ear.

  • Offset for upper ears (O) – Offset from the arc of the upper ear to the corner of the rectangle. If offset is the same as radius, the center of the arc is at the corner of the rectangle.

  • Radius for rounding the lower ears (R2)

  • Radius for inner rounding of lower ears (R2') – This specifies rounding between the side of the rectangle and the upper end of a lower ear.

  • Offset for lower ears (O2) – This specifies the distance from the side of the rectangle to the center of the arc of a lower ear. Positive value moves the ears inward, closer to the rectangle.

  • Bottom offset (D) – Distance from the lower end of a lower ear to the bottom of the rectangle.

Note: This type is not available in Component Modeller.

Oval

This is an oval shape where all the corners are rounded using a radius that is half of the width dimension.

Parameters:

  • Width (W)

  • Height (H)

Note: Height must be bigger than width.

Real oval

This oval shape is formed using two radius values and height.

Parameters:

  • Radius 1 (R1)

  • Radius 2 (R2)

  • Height (H)

Note: R1 must be bigger than R2.

Ellipse

This shape is a normal ellipse that is formed by width and height, and it can be rotated.

Parameters:

  • Width (W)

  • Height (H)

Super elliptical

This shape is like the normal ellipse, but in addition to width and height it defines a third dimension, exponent.

Parameters:

  • Width (W)

  • Height (H)

  • Exponent (E), used in the equation (x/w)^e + (y/h)^e = 1

Example shapes, using different exponent values:

Triangular

This shape is a right-angled triangle where each corner can be rounded separately.

Parameters:

  • Width (W)

  • Height (H)

  • Rounding radius for each corner (R1–R3)

Asymmetrical manhole

This shape is formed by placing two arcs along the X axis and joining them by tangential lines.

Parameters:

  • Width (W)

  • Rounding radius 1 (R1)

  • Rounding radius 2 (R2)

Double bottom hole

This shape is a rectangle whose upper corners are rounded by the radius value and lower corners are rounded by a radius value that is half of the width dimension.

Parameters:

  • Width (W)

  • Height (H)

  • Rounding radius (R)

Note: This type is not available in Component Modeller.

Custom

Custom shapes can be sent to NAPA. Custom-shaped hole request objects are modeled using an embedded GDL that contains a single sweep. Edit Properties allows the user to modify the boundary curve of the sweep. A new view is opened, showing the boundary curve and the target object. Hole Manager and the Properties of Hole Request dialog do not check the validity of custom shapes like they do for standard shapes.