Piirrä sijaintirajauksia
|
|
Single-line-välilehti > Keskukset ja lähdöt -ryhmä > Rajaus |
| Schematics-välilehti > Muut toiminnot -ryhmä > |
|
| Cabinet Layout -välilehti > Keskukset/kotelot-ryhmä > |
Tällä toiminnolla voit erottaa kaaviossa eri sijaintiin kuuluvat laitteet.
Toimi näin:
-
Syötä sijainti: kokonaisuus, sähköpositio tai molemmat. Sijaintirajauksen tunnus voidaan kirjoittaa kuvaan yhtenä tekstinä (=123+CS1) tai kahtena päällekkäisenä tekstinä (=123 ja +CS1).
-
Valitse rajauksen muodoksi suorakaide tai monikulmio.
-
Määritä tarvittaessa rajauksen ulkonäkö:
-
Valitse Ulkonäkö-välilehti.
-
Määrittele tarvittaessa rajausviivan väri ja viivatyyppi. Väri ja viivatyyppi otetaan oletusarvoisesti käytössä olevasta asetustiedostosta kyseisen järjestelmän kohdalta, esim. IP-rajaus = S_IPRAJAUS tai EX-rajaus = S_EXRAJAUS.
-
Jos haluat lisätä rajauksen taustalle symbolin tai rasterikuvan, valitse Näytä kuva ja määritä sitten symboli tai rasterikuva:
-
Jos haluat lisätä symbolin, toimi näin:
-
Valitse Symboli-vaihtoehto.
-
Määrittele halutessasi uusi väri alasvetovalikosta.
-
Valitse halutessasi skaalaustapa Skaalaus-alasvetovalikosta.
-
Napsauta Valitse symboli -painiketta tai symboliruutua.
-
Valitse, miten haluat symbolin lisätä:
- Valitse kuvasta – Osoita symboli kuvasta.
-
Valitse valikosta – Valitse symboli Symbolin valinta -dialogista (katso Symbolin valinta). Näet oletusarvoisesti kuvatyypin mukaiset symbolit, mutta voit valita toisen kuvatyypin (piirikaavion tai tasopiirustuksen) dialogin yläosan alasvetovalikosta.
Napsauta OK-painiketta. Valitsemasi symboli näkyy nyt symboliruudussa.
-
-
Jos haluat lisätä rasterikuvan, toimi näin:
-
Valitse Rasterikuva. Valitse symboli -painike muuttuu Valitse rasterikuva -painikkeeksi.
-
Napsauta Valitse rasterikuva -painiketta, ja valitse Valitse levyltä.
-
Valitse kuva. Kuva skaalataan rajaukseen sopivaksi mittasuhteet säilyttäen. Rasterikuvat tallentuvat oletusarvoisesti projektihakemiston Attachments-alihakemistoon.
-
-
-
Jos haluat määritellä taustavärin (täytön), valitse Rajauksen taustaväri ja sitten haluamasi väri.
-
Valitse, sijoitetaanko merkintäteksti rajauksen sisä- vai ulkopuolelle. Vaihda tarvittaessa myös merkintätekstin väri.
-
Napsauta OK-painiketta.
-
-
Napsauta OK-painiketta.
-
Piirrä laiterajaus kuvaan.
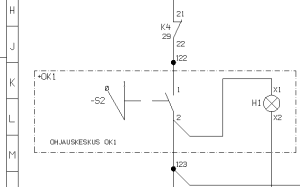
Tätä toimintoa käytetään ensinnäkin havainnollistamaan kuvassa "ulkoiset" osat sekä erittelemään eri positioiden osat osaluettelossa.
Piirustuksen lehti kuuluu kokonaisuuteen =4333, ja lehden sähköpositio on +MCC2. Kun laitetietojen syöttämisen jälkeen päivitetään laitetiedot, nähdään, että oheisen kuvan kytkimellä osaluettelossa on laitteen kokotunnuskentässä arvo =4333+OK1-S2. Esimerkissä sijaintirajaus on piirretty määrittäen tunnustekstin rajaussuorakaiteen sisälle.
Osaluettelon luominen vaatii tuotetietojen määrittämisen laitteelle Electrical DB -tietokantaliitynnän avulla. Katso lisätietoja Electrical DB -ohjeesta.